防爆红外球机(RFB80/N-(130/200), 网络高清)

防爆性能符合GB3836.1-2010《爆炸性环境 第1部分: 设备 通用要求》、GB3836.2-2010《爆炸性环境 第2部分: 由:隔爆外壳“d”保护的设备》、GB12476.2-2013《可燃性粉尘环境用电气设备第 1 部分:通用要求》、GB12476.5-2013《可燃性粉尘环境用电气设备 第 5 部分: 外壳保护型”tD”》 的规定制成隔爆型结构。
厂家编号: RFB80/N-130, RFR80/N-200
产品型号:RFB80
防爆级别:ExdⅡC T6 Gb / Ex tD A21 IP68 T80℃
防护等级: IP68
防爆合格证号: CNEx15.0852
壳体材质:优质不锈钢304 (可选316)
功能特点:
壳体采用优质304不锈钢, 防腐防爆 (特殊防腐环境可选316不锈钢)
外观新颖, 美观大方
60-100米红外可视距离,可见光不足时红外灯自动开启,可在夜晚和光线较差时使用
外置雨刷, 可以用在雨天和灰尘等环境
合金传动齿轮转动平稳、噪声小、耐磨损
256个预置位,4条巡航轨迹, 花式巡航
全方位无盲点监视,定位精度高
网络传输, 支持ONVIF等协议, 可对接海康大华等多种NVR
适用环境:具有ⅡA、ⅡB、ⅡC类可燃性气体,引燃温度组别为T1-T6组的1区、2区,可燃性气体或蒸气与空气形成的爆炸性混合物的场所,也适用于引燃温度组别为T1-T6组的21区、22区,含有可燃性粉尘混合物的场所, 如:石油、化工、矿井、军工、医药、油库、轮船、钻井平台、加油站、天然气站、煤气站、花炮生产、粮食加工储存等。预置位达256个,防雷击、防信号浪涌、多条扫描模式,捕捉目标准确,适用于各种面积区域活动目标的监控。
型号 | RFB80/N- (130/200) |
防爆标志 | ExdⅡC T6 Gb / Ex tD A21 IP68 T80℃ |
水平转动角度 | 360°连续转动 |
垂直转动角度 | ±90° |
转动速度 | 水平10度/秒, 垂直10度/秒 |
电机特性 | 高扭矩精密步进电机 |
传动结构 | 高强度铝合金齿轮配装精密同步皮带 |
预置位数量 | 256个 |
预置位精度 | ± 0.5° |
图像传感器 | 130/200万像素逐行扫描CMOS传感器 |
最低照度 | 0.05 Lux/F1.6(彩色) ,0.005 Lux/F1.6(黑白) |
信噪比 | >50dB |
白平衡 | 自动、 ATW、 室内、 室外、手动 |
增益控制 | 自动、手动 |
背光补偿 | ON / OFF |
焦距 | 18倍光学变焦 |
视频压缩标准 | H.264 / M-JPEG |
压缩传输码流 | 64Kbps-12Mbps |
主码流 | 1920x1080,1280*960,1024*768,1280*720 |
子码流 | 320*240、352*192、320*192、288*192、256*192 |
视频帧率 | 1~30fps |
字符叠加 | 支持通道名、日期时间信息叠加,叠加位置用户可调,可反色 |
图像设置 | 背光补偿,饱和度,亮度,对比度,尖锐度,增益,多码流,码率,帧率通过客户端或者IE浏览器可调 |
网络协议 | 支持TCP/IP、HTTP、DHCP、DNS、RTP/RTCP、PPPoE、FTP、SMTP、NTP、SNMP等 |
接入协议 | 支持ONVIF等协议 |
通用功能 | 防闪烁,多码流,密码保护,OSD技术 |
制造材质 | 优质304不锈钢 (可用于腐蚀性环境) |
供电电压 | AC220V |
工作电流 | ≤2000mA |
环境温度 | -25℃~60℃(环境低于-30℃可选配温控装置) |
大气压力 | 86~106KPa |
相对湿度 | ≤95%RH(+25℃) |
电气连接 | 复合电缆(包含电源接线和RJ45网络) |
安装方式 | 壁式安装 (可选吊装) |
出线孔规格 | G 1/2 ’ * 1 |
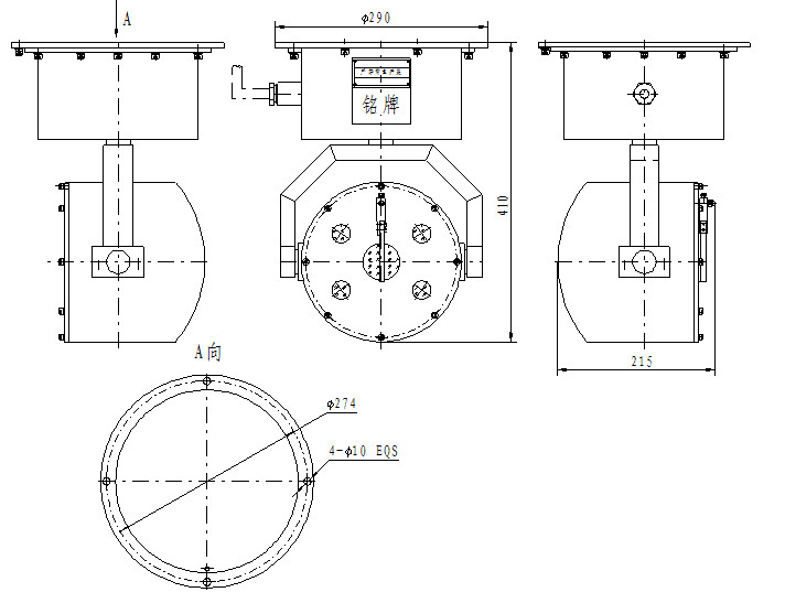
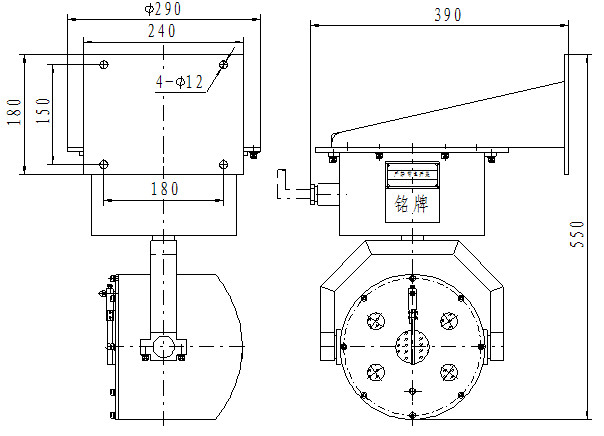
外形尺寸 | ¢290 X 410 (¢380 X 570 含壁装支架) |
重量 | ≤26Kg |
(以上是配置雄迈网络一体机芯的参数)
外形图片:

未安装支架尺寸图

已安装支架尺寸图



